osman
Kamp III
- Mesajlar
- 555
- Tepkime Puanı
- 89
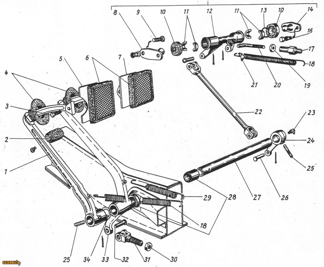
Yanlış hatırlamıyorsam pedallara geçmişte biraz değinmiştik. Bugün fren pedalının burcunu ele alalım. Konu bütünlüğü sağlanması için kısa bir hatırlatma yapalım.
Fren ve pedal burçları aynı mil üzerinde çalışır ve bu mil şasinin içerisine geçirilmiş iki burç üzerinde yataklanmıştır.
Şasinin içerisinde yataklamayı sağlayan burçlar çalışma neticesinde zamanla aşınmıştı. Tesadüf eseri internette tanıştığım bir rus arkadaş sayesinde bu burçların orjinalini bulmuştum yıllar önce.
Debriyaj pedalı bir pim ile mile sabitlenmiş olup , mil şasi içerisinden geçerek iç tarafta debriyaj mekanizmasına hareket verir. Fren pedalı ise mil üzerinde serbest hareket ederek alttan ana fren merkezine hareket iletir.Bu hareketi yataklamak için de fren pedalının mil üzerinde hareket ettiği bölüme de burç yerleştirilmiştir.
Yine buradaki burç da zaman içerisinde aşağıdaki resimdeki gibi aşınmış ve fren pedalı mil üzerinde sağa sola lak lak sallanıyordu.
Bu burcun parça numarasını bulsam da malesef kendini bulma şansım olmadı.Tornacıda yaptırsam diye düşünürken aklıma bir fikir geldi.Şasi içindeki burçtan getirtirken başkasında gerek olabilir diye rus arkadaştan 2 şer den 3 takım burç getirtmiştim. Tüm sistem aynı mil üzerinde çalıştığı için tüm burçların iç çapı aynı idi, dış çaplarının da aynı olma ihtimali vardı. Kaybedecek bir şeyimiz yok nasıl olsa dedik ve burcu pedaldan çıkartmaya karar verdik.
Fren ve pedal burçları aynı mil üzerinde çalışır ve bu mil şasinin içerisine geçirilmiş iki burç üzerinde yataklanmıştır.
Şasinin içerisinde yataklamayı sağlayan burçlar çalışma neticesinde zamanla aşınmıştı. Tesadüf eseri internette tanıştığım bir rus arkadaş sayesinde bu burçların orjinalini bulmuştum yıllar önce.
Debriyaj pedalı bir pim ile mile sabitlenmiş olup , mil şasi içerisinden geçerek iç tarafta debriyaj mekanizmasına hareket verir. Fren pedalı ise mil üzerinde serbest hareket ederek alttan ana fren merkezine hareket iletir.Bu hareketi yataklamak için de fren pedalının mil üzerinde hareket ettiği bölüme de burç yerleştirilmiştir.
Yine buradaki burç da zaman içerisinde aşağıdaki resimdeki gibi aşınmış ve fren pedalı mil üzerinde sağa sola lak lak sallanıyordu.
Bu burcun parça numarasını bulsam da malesef kendini bulma şansım olmadı.Tornacıda yaptırsam diye düşünürken aklıma bir fikir geldi.Şasi içindeki burçtan getirtirken başkasında gerek olabilir diye rus arkadaştan 2 şer den 3 takım burç getirtmiştim. Tüm sistem aynı mil üzerinde çalıştığı için tüm burçların iç çapı aynı idi, dış çaplarının da aynı olma ihtimali vardı. Kaybedecek bir şeyimiz yok nasıl olsa dedik ve burcu pedaldan çıkartmaya karar verdik.

