fsirin
Karavan Yönetim
Ynt: Portatif Solar Güç Ünitesi Mi Yapsak?
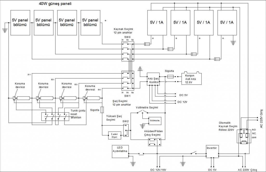
Mantık olarak olur gibi duruyor. Tek endişe, güç kaynağının aşırı yük davranışını bilmiyor olmamız. Piller 1A üzerinde akım çekmek istediğinde gerilimi düşüyorsa mesele yok. Sonuçta adaptörün çıkış gerilimi, pil gerilimini takip etmek zorunda. Yoksa uygun bir dirençle akım sınırlama yaparız. :
DC girişten de izole DC/DC konvertörler ile bağımsız şarj yapılabilir tabi ama küçük bir invertörle daha kolay olur gibi.
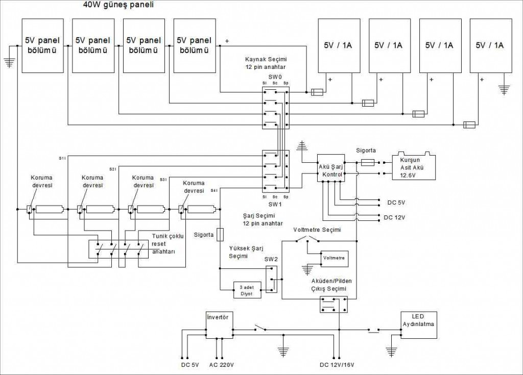
Mantık olarak olur gibi duruyor. Tek endişe, güç kaynağının aşırı yük davranışını bilmiyor olmamız. Piller 1A üzerinde akım çekmek istediğinde gerilimi düşüyorsa mesele yok. Sonuçta adaptörün çıkış gerilimi, pil gerilimini takip etmek zorunda. Yoksa uygun bir dirençle akım sınırlama yaparız. :
DC girişten de izole DC/DC konvertörler ile bağımsız şarj yapılabilir tabi ama küçük bir invertörle daha kolay olur gibi.

