Optimus 8R Benzin Ocağı

  • Konuyu Başlatan: Konuyu başlatan marmariscj7 Tarih:
  • Başlangıç tarihi Yazılan Cevaplar:
  • Cevaplar 33
  • Okunma Sayısı: Görüntüleme 30,496

Etiketler
Ynt: Optimus 8R Benzin Ocağı

Sayın bozkurti Nail Şenkal`a nasıl ulaşabilirim bir adres veya telefon verebilirmisiniz yada daha başka arkadaşlarda varsa isim ve telefonlarını verebilirmisiniz.
 

Ynt: Optimus 8R Benzin Ocağı

İnternet den , zirve dağcılık sayfasından , Tolga Gözüm Marmaris AKUT dan Nail beyin telefonuna ve adresine ulaşabilirsiniz . Hala aynı işi yapıyorsa marinaya yakın bir yerde Yanmar deniz motorları parçaları satıyordu.
 





Ynt: Optimus 8R Benzin Ocağı

Bu benim Optimus 8R nin fotoğrafları

Görüntü025.jpg
 




Ynt: Optimus 8R Benzin Ocağı

Ben emeklıyım Armutalan merkezde oturuyorum, çallışmıyorum, şu anda İstanbulda kızımın yanındayım. Çeşme meydanı yani çarşı olduğu gıbı tekstıl kuyumcu derıcı ama bu senede çarşı yazın boştu dukkanların çogu boş satılık yada kıralıktı. Inşallah 2011 yılı guzel geçer, hayırlı işler.
 



Ynt: Optimus 8R Benzin Ocağı

[attachment=1]
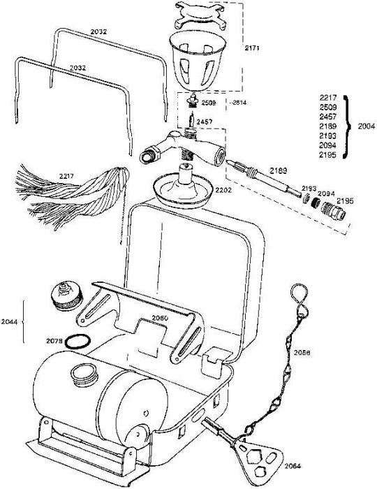
sizin ocağın çizimi resimdeki gibi 2202 nolu çanağın içine az yakıt koyup yakıyorsun,buna önyanma(ısıtma) deniyor.çanağın içindeki yakıt bitince
vanayı açıp ocağı yakıyorsun.

hunter.jpg
 


Ynt: Optimus 8R Benzin Ocağı

Sayın elektromekanik geçenlerde bir arkadaşımla dükkanda otururken söz ocaktan açıldı arkadaşım merakla incelerken bir müşterim geldi ben onunla ilgilenirken arkadaşım bu arada benim ocağı biraz kurcalamış müşterim gittikten sonra biz birazdaha sohbet ettik çay kahve içtikten sonra arkadaşım müsade isteyip gitti ertesi gün benim ocağıa baktığımda 2508 numaralı nipeli yani memenin sıkıştırılmış olduğunu gördüm açmak istediysemde açamadım ve moralim bozuldu o günden beri ocağa elimi bile sürmedim ama yinede bu ocağı tamir etmek veya bu işten anlayan bir arkadaşa tamir ettirmek istiyorum.Siz nerede yaşıyorsunuz.
 

Ynt: Optimus 8R Benzin Ocağı

Merhaba
2508 nolu parçayı açmakta zorlanıyorsan diş atlamış olabilir.Parçanın sökülerek alıştırılması gerekebilir.Ben çorlu da bulunuyorum size uzak kalırım.Oralarda beyaz eşya tamircileri size yardımcı olabilir.Bu ocağın çalışma prensibi çizimde görüldüğü gibi fitil ile gelen benzin ön ısıtma ile buharlaştırılıp yakılıyor,yandığı müddetçe buharlaşma devam ediyor.
 




Ynt: Optimus 8R Benzin Ocağı

Bendede aynısının kırmızısı var

Bizim Dağcılıkta kullandığımız MSR tipi ağır şart Ocaklarının atasıdır çok verimli yanarlar arkadaşlardan biri detaylı yazmış;
aslında kolay ocagın altındaki çanaga biraz aseton veya benzeri sıvı dokup on ısıtma yapmalısınız sonra vanayı yavaş yavaş açıp sıvı gelen beniznin buharlasıp ocaktan yanmasını sağlayın .. olmuyorsa iğne kısmı tıkanmıştır hafifçe sallayarak tabanını yere sert zemine tıklatın(kesinlikle kapalıyken!!!)
kapaktaki anahtar tum bakımı yapmanıza yetiyor..ek bişeyler arıyorsanız yanlış bir yeri kurcalıyorsunuzdur dikkat edin!!
Çok guzel ocaktır gule gule kullanın ;)
 

Gezenbilir bilgi kaynağını daha iyi bir dizin haline getirebilmek için birkaç rica;
- Arandığında bilgiye kolay ulaşabilmek için farklı bir çok konuyu tek bir başlık altında tartışmak yerine veya konu başlığıyla alakalı olmayan sorularınızla ilgili yeni konu başlıkları açınız.
- Yeni bir konu açarken başlığın konu içeriğiyle ilgili açık ve net bilgi vermesine dikkat ediniz. "Acil Yardım", "Lütfen Bakar mısınız" gibi konu içeriğiyle ilgili bilgi vermeyen başlıklar geç cevap almanıza neden olacağı gibi bilgiye ulaşmayı da zorlaştıracaktır.
- Sorularınızı ve cevaplarınızı, kısaca bildiklerinizi özel mesajla değil tüm forumla paylaşınız. Bildiklerinizi özel mesajla paylaşmak forum genelinde paylaşımda bulunan diğer üyelere haksızlık olduğu gibi forum kültürünün kolektif yapısına da aykırıdır.
- Sadece video veya blog bağlantısı verilerek açılan konuların can sıkıcı olduğunu ve üyeler tarafından hoş karşılanmadığını belirtelim. Lütfen paylaştığınız video veya blogun bağlantısının altına kısa da olsa konu başlığıyla alakalı bilgiler veriniz.

Hep birlikte keyifli forumlar dileriz.


GEZENBİLİR TV

Abone Olun

GEZENBİLİR'İ TAKİP EDİN

Forum istatistikleri

Konular
105,176
Mesajlar
1,534,614
Kayıtlı Üye Sayımız
167,061
Kaydolan Son Üyemiz
AliCan07

Çevrimiçi üyeler



Geri
Üst