ibrahim çelik
Yeni Üye
- Mesajlar
- 1
- Tepkime Puanı
- 5
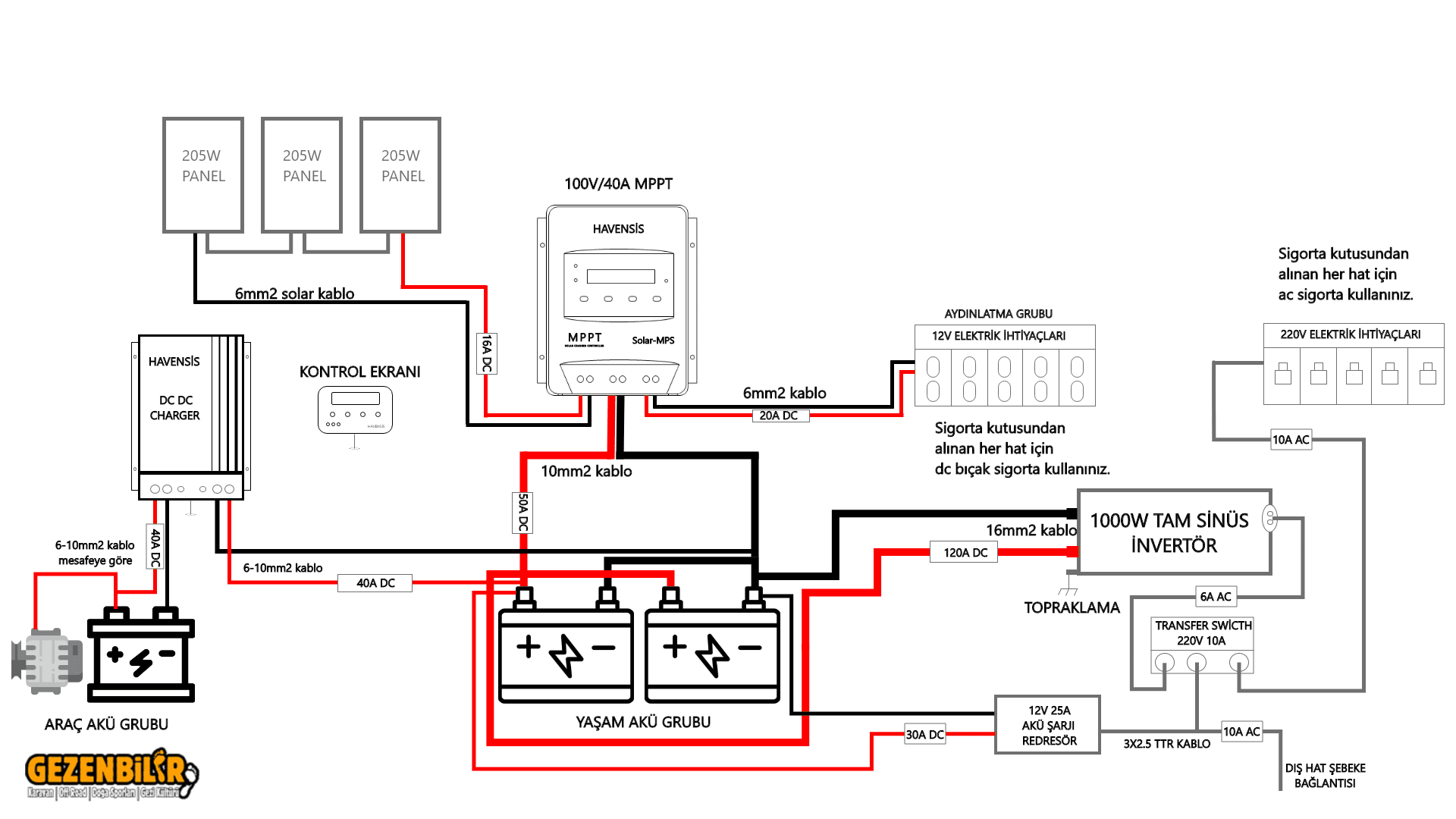
Karavanda güneş enerji sisteminin kurulumu ve kablo kesitleri sigortaları şemaya göre dikkate alarak kolaylıkla yapabilirsiniz sorularınız olursa yardımcı olabilirim

Faydalı bir paylaşım, Teşekkürler.Ekli dosyayı görüntüle 639915
Karavanda güneş enerji sisteminin kurulumu ve kablo kesitleri sigortaları şemaya göre dikkate alarak kolaylıkla yapabilirsiniz sorularınız olursa yardımcı olabilirim
Şemadaki eksikliği bulana Gezenbilir Elektrik Uzmani Sertifikası vereceğim.![]()
Ben daha çok DC akıma baktığım için kaçak akım rolesi için yazmamıştım.Uzman değilim ama kaçak akım rölesi eksik.. : )
Ben bulamadım.Ben daha çok DC akıma baktığım için kaçak akım rolesi için yazmamıştım.
Gerci benim karavanda kaçak akım rölesi var. Siz de almış sayılırsınız sertifika
Ama hala eksik var DC akım devresinde.
Akü + çıkışlara sigorta koymak gerekir.Ben bulamadım.
Akü + çıkışlara sigorta koymak gerekir.
Araç aküsünün + çıkışına da , servis akülerinin yük için kullanılan + çıkışlarına da. Aküye en yakın olacak şekilde.
Akü + çıkışlara sigorta koymak gerekir.
Araç aküsünün + çıkışına da , servis akülerinin yük için kullanılan + çıkışlarına da. Aküye en yakın olacak şekilde
Usta öğretici belgesini,sizi takip edenler tarafından çok öncesinden tarafınıza verildiğini düşünüyorum..
Bu şema benim 12 V buzdolabımı güneşin olmadığı zaman nasıl besleyecek ?
Temel yaklaşım olarak şemayla ilgili şöyle düşünüyorum:
Ben karavana invertörün yakışmadığını düşünenlerdenim. Enerji gereksinimini arttırması ve kulağı ters eliyle göstermesi bir yana, her aletin karavanlar için 12 V versiyonu olduğu atlanmamalı. Evdeki şebeke çihazları sonuçta karavana anlamlı bir derman olamamaktalar. Tüm marka motokaravanlarda olduğu gibi bence de şebeke ve güneşten gelen enerji, aküde depolanıp yine oradan tüketilmeli.
En basiti, en güvenlisi, en ucuzu, en verimlisi bu yol.
Ayrıca karavanımdaki 90 W solar paneliyle kompresör buzdolaplı sistemimden yola çıkarsam, 615 W solar kapasitesi bana kışları bile biraz abartılı geldi. Üstelik karavancılar bilir, bu kadar panele her panelvanda yer bulmak da kolay değil.
Sisteme elektrikçi gözünden evvel, karavancı gözüyle bakılması yanlış olmazdı sanırım. Hatta sistem bendeki gibi tek panele düşerse, PWM regülatör bile yeterli olmakta.
Diğer bir nokta da iç dirençleri yüzünden çoklu akü yerine, ayni kapasitedeki tek bir aküyü, daha hızlı dolma avantajı yüzünden tercih ederdim. DC/DC çevirici kullanımında tabii LFP akü en uygun özelliklere sahip durumda.
Son olarak da Havenses’in fiyatının çoktan Victron’u yakaladığını hatırlatayım.
Sanırım övmemden fazla etkilenmiş olmalılar ?
Tam alternatör tek kutuplu nasıl çalışır diye soracak iken, bakın konu nerelere geldi..
Gri renkli hatlar da diğerleri gibi işlenseydi, fena olmazdı sanırım. Benim gibi % 99 karavancının mesleği elektrik değil çünkü. Bizler gibi montaja gelince terlemeye başlayanların elinde, ikileme düşürmeyecek dökümanlar olmalı.
Umarım Bülent ve Ferhat beylerden yazılanların sağlamasını duyarız ?
İbrahim beye de hamama (karavana) giren terler diyelim.Zaten kendisi de aletleri sadece örnek olarak seçmiş olmalı.
Foruma hoş geldiniz İbrahim bey.
…
Akülerin artı kutbuna sigorta konulması üzerine daha evvel iki üç kere yazdığından Teoman beyin hassasiyetini iyi biliyorum ama invertör girişindeki sigortanın ayni etkiyi verip veremeyeceğinde tereddüt ettiğimden sorusuna hemen cevap veremedim.
Şimdi tekrar düşündüm, sanırım hat uzunca korumasız kalmakta.. Belki gerçekte ikisi de hemen yan yana düşünülmüş olmalı ?
Umarım benim gibi yukarıdaki aletlerin çoğunu eline bile almamış bir internet elektrikçisine, artık hiç olmazsa kıytırık bir stajyer belgesini esirgemez ?![]()
Usta öğretici belgesini,sizi takip edenler tarafından çok öncesinden tarafınıza verildiğini düşünüyorum.![]()
Yazınızın burası önemli ! bir kaç kere teyid edilen bilgileri yazıyorum (Doğrucu Davud) isabetli olmuş.... O kadar çok bilgi karmaşası varki, teknik sorular karşısında olması gerekeni söylemeye çalışırken, bir bakıyorsunuz forum sayfası toz duman içindeBülent bey benimki internet filozofluğu. Vakti bol meraklı bir emeklinin eline bilgisayar verilip internete salınınca böyle oluyor. Ben sadece güvenilir web sayfalarından ya da forumlardan birkaç kere teyit ettirdiğim bilgileri yazıyorum.
Fakat biliyorsunuz laf ile tecrübe farklı şeyler.
Siz beni röle ile araç aküsü arasındaki 100Amperlik sigortayı ameliyat eldivenli ve kontakları havlularla örterek ancak yarım saatte değiştirdiğim zaman yahut tekli solar sistemimi neredeyse 4 saatte o da kan ter içinde titreyerek montaj yaparken görecektiniz.
Sanırım Ziya paşa tam da bu durum için söylemiş.
Ayinesi iştir kişinin lafa bakılmaz
Şahsın görünür rütbe-i aklı eserinde
Güneş regülatör yük çıkışı sürekli açık ayarında kullanılabiliyor. Bu çıkış da aküyü kullanır. Bu bağlantının avantajı, herhangi bir nedenle akü gerilimi kritik değere düşerse, ışıkların yanmaması dolayısıyla da durumu farketmek olacaktır. Yoksa başka bir avantaj veya dezavantajı yok.12v ihtiyaç ve aydınlatma için Mppt cihazdan direk hat çekilmiş, akü desteği yok,
Bu da güneş varsa 12v var demek değilmidir.